几(jǐ)种振动(dòng)筛设计方案及选择对比
发布日期:2015-04-23 作者(zhě):黄瓜网站(zhōng)
洛阳黄瓜网站重工今天给大家分享下脱水振动筛的设计方案。
方案一:
振动筛齿轮强迫传动振动器的主(zhǔ)要的优点:能(néng)保证两偏心轴的振动相位角一致.物料能(néng)按(àn)特定(dìng)的抛掷角运动进行筛分.组装精度要求一般.这种筛子的较大不足:噪音(yīn)大(dà),轴容易发热,漏油也较严重,齿轮使用寿命(mìng)短等.

方案二:
双不平衡激振器由两台电机拖动,主要(yào)取消了一对齿轮,代之以(yǐ)两台振动筛(shāi)电(diàn)动机直接带动轴转动.采用这种传动方(fāng)式的振动(dòng)器,其优点是可以简化了激振器的结构,使振动(dòng)筛(shāi)的润滑,维护和检修(xiū)大(dà)为简化;筛子噪音,消除漏油和降低(dī)费用等.

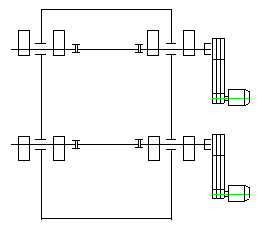
方案三:
采用这种传动方式的振动器(qì),其优点可以降低振动筛筛(shāi)子噪音,消(xiāo)除漏油,减少备件消耗(hào)和降低费用等.但振动器两轴同心度,及其装备精度要求较gao.通过三角(jiǎo)带传动的振动器,如两电机胶带轮的三角胶带松(sōng)紧不一致时(shí),均会引起由于两轴摩擦传动阻(zǔ)力的差(chà)异而导致两(liǎng)偏心相位角的不(bú)一致,从而(ér)造成物料在筛面上不规则运动,影响(xiǎng)振动(dòng)筛筛分效率.

综合方(fāng)案一(yī),二和方案三的优,缺点。末尾,确定方(fāng)案(àn)二(èr)是较优方案。
相关文章推荐:振动脱水筛在重晶石脱水(shuǐ)中的应用和重要性
相关推(tuī)荐
- 2015-07-14 黄瓜网站圆振动筛为什么受广(guǎng)大客户的喜爱
- 2021-07-09 液(yè)压圆振(zhèn)动筛工作原理及性能特点介绍
- 2016-08-08 河南哪家(jiā)圆振动筛质量好?
- 2021-04-10 圆振(zhèn)筛振(zhèn)幅是多大
- 2020-07-17 圆振动筛排杂较慢(màn)如何解决
- 2015-04-22 振动筛筛分过程出(chū)现混料现象怎么办
- 2016-02-10 重型矿用振动筛在运输过程中应注意事(shì)项
- 2014-12-23 脱水(shuǐ)直线振动筛 您知道如何选(xuǎn)购吗
- 2019-06-27 振动筛安装网架有这么多好处?快来了解(jiě)一下吧!
- 2015-08-18 购(gòu)买圆振动筛,到隆(lóng)中重工



